Будьте в курсе!
Новости, обзоры и акции
Время работы:
ПН-ПТ 10:00 - 19:00
СБ-ВС выходной
Новости, обзоры и акции
|
|
|
|
|
|
(0)
|
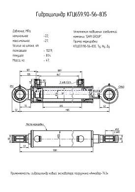
Вы можете узнать актуальную цену для города Новосибирска, на гидроцилиндр КГЦ659.90-56-835, сделав запрос, на наш электронный адрес 2584500@bk.ru
Гидроцилиндр ковша экскаватора-погрузчика «Амкодор-743» КГЦ 659.90-56-835 в продаже по цене 23 955 руб. в Интернет-магазине Проф-инструмент с доставкой в Новосибирске. Звоните по телефону +8 (800) 302-10-51.
Новости, обзоры и акции
