Будьте в курсе!
Новости, обзоры и акции
Время работы:
ПН-ПТ 10:00 - 19:00
СБ-ВС выходной
Новости, обзоры и акции
|
|
|
|
|
|
(0)
|
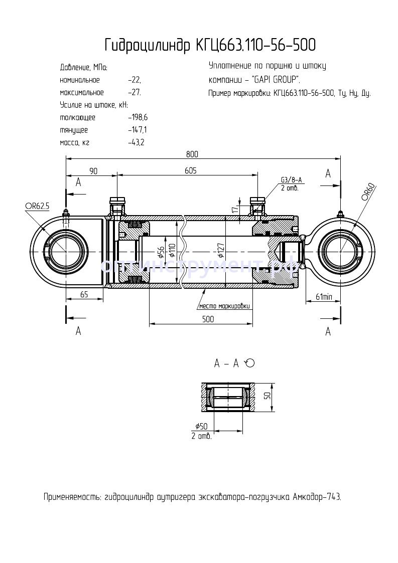
Вы можете узнать актуальную цену для города Новосибирска, на гидроцилиндр КГЦ663.110-56-500, сделав запрос, на наш электронный адрес 2584500@bk.ru
Гидроцилиндр аутригера экскаватора-погрузчика «Амкодор-743» КГЦ 663.110-56-500 в продаже по цене 20 985 руб. в Интернет-магазине Проф-инструмент с доставкой в Новосибирске. Звоните по телефону +8 (800) 302-10-51.
Новости, обзоры и акции
